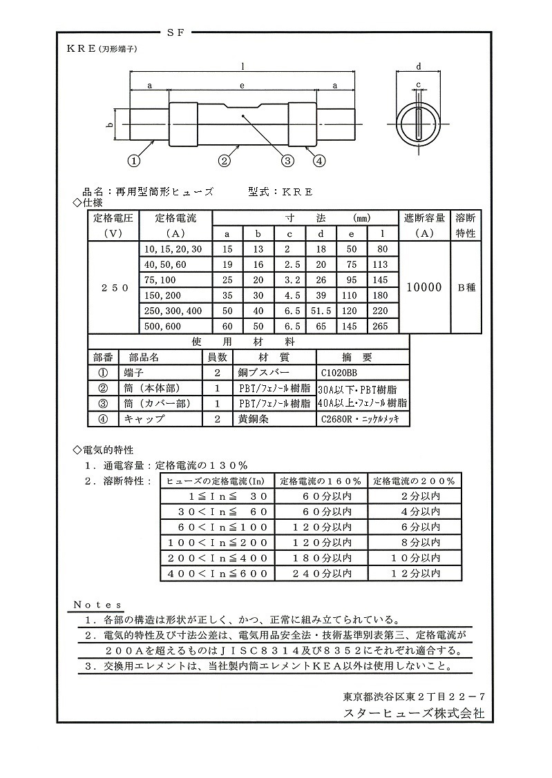
アクメヒューズ KRE
| 定格電圧 | : | AC250V |
| 定格電流 | : | 10~600A |
| 溶断特性 | : | B種 |
| 遮断容量 | : | AC 10 (10,000A) |
| 性能 | : | 電気用品安全法及び JIS C 8352 (配線用ヒューズ及びホルダー通則)に適合します。 |
| 型式 | 定格電圧(V) | 定格電流(A) | 備考 |
| KRE 10A |
AC250 | 10 | |
| KRE 15A |
AC250 | 15 | |
| KRE 20A |
AC250 | 20 | |
| KRE 30A |
AC250 | 30 | |
| KRE 40A |
AC250 | 40 | |
| KRE 50A |
AC250 | 50 | |
| KRE 60A |
AC250 | 60 | |
| KRE 75A | AC250 | 75 | |
| KRE 100A |
AC250 | 100 | |
| KRE 150A |
AC250 | 150 | |
| KRE 200A |
AC250 | 200 | |
| KRE 250A |
AC250 | 250 | |
| KRE 300A |
AC250 | 300 | |
| KRE 400A |
AC250 | 400 | |
| KRE 500A |
AC250 | 500 | |
| KRE 600A |
AC250 | 600 |
